Sada pre výrobu samonosnej posuvnej brány do 4m so zabudovaným hrebeňom, AL 90x99
| Dostupnosť produktu: | do 3 dní | Tovar štandardne expedujeme do 3 dní. |
|---|
Popis produktu Sada pre výrobu samonosnej posuvnej brány do 4m so zabudovaným hrebeňom, AL 90x99
Sada komponentov pre vytvorenie samonosnej posuvnej brány s prejazdom 4m.
Sada pozostáva z hliníkového C-profilu s vnútorným uchytením hrebeňa, špeciálne navrhnutých vozíkov z ktorých jeden obsahuje zabudovaný pastorok a redukciu pre pripojenie k pohonu brány. Krytky profilu, nájazdové kliesko a doraz brány.
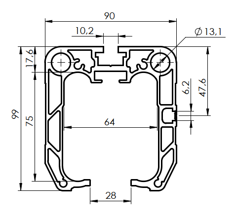
Rozmery profilu:
Uchytenie hrebeňa v C-profile 90x99:
Hrebeň zasuniete do C-profilu a na konci zaistíte pomocu dorazu.

ukážka inšalácie vozíkov do C-profilu:
Prepojenie vozíka s pohonom brány za pomoci hriadelovj spojky:
Chcem tento tovar objednať, ako mám postupovať?
Vyberte si podľa toho, čo je pre Vás pohodlné:
- objednať cez eshop: použite tlačítko kúpiť a vložte tovar do košíka internetového obchodu (tlačítko kúpiť nájdete v tabuľke variantov tohto produktu tu).
- objednať telefonicky: zavolajte na 0948 599 857, objednávku môžte spraviť aj telefonicky
- objednať cez email: objednajte na info@branyposuvne.sk




