Vážení zákazníci,
• objednávky spracovávame aj medzi sviatkami a budeme ich odosielať 29. a 30.12.
• osobný odber v našom predajnom sklade je možný 29. a 30.12.
• pozrite si naše otváracie hodiny počas sviatkov.
Ďakujeme a prajeme krásne Vianoce.
NICE RBSKITSAFE1 vnútorný držiak fotobuniek a osvetlenia pod kryt pre pohony Robus RBS
NOVINKA
| Dostupnosť produktu: | do 3 dní | Tovar štandardne expedujeme do 3 dní. |
|---|
do 3 dní
31,17 € s DPH
| Hmotnosť |
|---|
| 0,20 kg |
Popis produktu NICE RBSKITSAFE1 vnútorný držiak fotobuniek a osvetlenia pod kryt pre pohony Robus RBS
Sada NICE-RBSKITSAFE1 je určená pre pohon RBS600HS, ktorý má v kryte pripravené priehľadné sklíčka na osadenie odrazkových fotobuniek EPMOR alebo EPMOB. Fotobunky sa tak montujú priamo pod kryt, bez potreby samostatných stĺpikov či ďalších nosných prvkov. Vďaka tomu je inštalácia rýchlejšia a výsledkom je čistý, estetický vzhľad brány.
Pohon ROBUS600HS je dodávaný bez montážnych konzol pre príslušenstvo, preto je potrebné ich zakúpiť samostatne.
Obsah Balenia
- plastový držiak na fotobunky
- doplnkový modul ELMM s LEDkou pre odrazkové fotobunky EPMOR alebo káblové fotobunky EPMOB
- káblik na zapojenie
Montáž fotobuniek
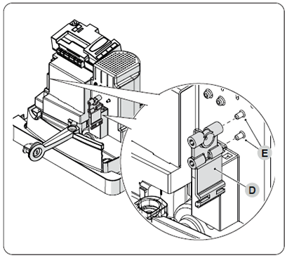
1. Otvorte uzamykací hák (A) pomocou dodaného kľúča.
2. Uvoľnite skrutky.
3. Odstráňte kryt.

4. Vložte držiak (D) do kolíkov (E).

Inštalácia fotobunky EPMOR je znázornená nižšie. Opísaný postup platí aj pre inštaláciu fotobunky EPMOB.
5. Odstráňte kryty (F) uvoľnením skrutiek (G).

6. Odstráňte fotobunku (H) uvoľnením skrutky (I) a odstránením matice (L).

7. Pripevnite fotobunku ku konzole (M) pomocou rovnakej skrutky a matice,
ktoré ste predtým odstránili.
POZOR! Venujte pozornosť smeru inštalácie fotobunky.

8. Zapojte zariadenie.

POZOR! Pred pokračovaním v konečnom upevnení
skontrolujte, či je fotobunka zarovnaná s odrazovou jednotkou
(EPMOB alebo EPMOR).

9. Trvalo pripevnite fotobunku k montážnej konzole.
Dajte pozor a na držiak nevyvýjajte nadmerný tlak.

10. Zapojte LED svetielko ELMM (N).
Toto LED svetielko bude slúžiť na osvetlenie prejazdu a umožní taktiež diagnostiku pomocou signalizácie.

11. Upevnite LED svetlo pomocou spony (O).

12. Pripojte káble podľa označenia.

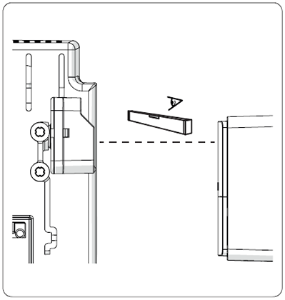
13. Umiestnite kryt pohonu, utiahnite skrutky, zatvorte uzamykací hák pohonu a vyberte dodaný kľúč.
Chcem tento tovar objednať, ako mám postupovať?
Vyberte si podľa toho, čo je pre Vás pohodlné:
- objednať cez eshop: použite tlačítko kúpiť a vložte tovar do košíka internetového obchodu (tlačítko kúpiť nájdete v tabuľke variantov tohto produktu tu).
- objednať telefonicky: zavolajte na 0948 599 857, objednávku môžte spraviť aj telefonicky
- objednať cez email: objednajte na info@branyposuvne.sk

